定制服务流程
根据不同工况,提供定制服务
YPM,YPH系列压力管路过滤器采用优质不锈钢制造,内筒为不锈钢薄板冲孔成形滤筒,紧配丝网结构,活节连接,拆卸清洗方便。这种广泛适用于啤酒、CIP清洗液的过滤,可根据用户实际使用情况,选用20-100目不锈钢丝网配套。该管路过滤器是管道输送液体过程中清除固体杂质的设备,当液体流经油过滤器时,其中的杂质被滤出,可保护机泵、压缩机、仪表和其它设备正常工作。当需要清洗时,只要将可拆卸的滤筒取出,去除滤出的杂质后,重新装入即可,使用维护极为方便。
应用范围 | 广泛应用于军工行业、重型机械、矿山机械、冶金机械等液压系统。 |
过滤介质 | 矿物油、乳化液、水-乙二醇、磷酸酯液压液中的固体颗粒及胶状物质 |
咨询电话 | 400-0089-277 |
性能与特点
1、 与同等流量过滤器相比,结构紧凑体积小。
2、 使用压力范围宽。
3、 换滤芯方便,用户可根据安装空间,打幵上盖,更换滤芯,也可旋下外壳(先放油)从下面取下滤芯。
4、 安装固定方便:如用户按标准流向安装有困难时可拆下盖上4个螺钉,把盖转动180度。这样就改变了介质流动方向。
5、 该过滤器设有旁通阀和压差发讯装置,双重保护功能。当滤芯污染堵塞至进出口压差值为发讯器调定值时,发讯器发讯,此时必须更换滤芯。
技术参数
过滤精度(μm):0.0001 工作压力(max):42MPa
工作温度:-25℃~110℃ 发讯器发讯压差:0.7MPa
可根据不同工况情况定制
型号 | 公称流量 Flow rate (L/min) |
过滤精度 Filtr. (μm) |
公称压力 (MPa) |
压力损失 Iniaitl.△P (MPa) |
发讯器功率 (V/W) |
滤芯型号 | 连接方式 | |
---|---|---|---|---|---|---|---|---|
Initial | Max. | |||||||
PLF - 30 x *P | 30 | 3 5 10 20 |
H=32 E=16 C=6.3 |
<=0.07 | 0.5 | 24V/48W 220V/50W |
PLFX-30-X* | 管式 |
PLF - Ο 60 X *P | 60 | LH0060D*BN3HC | ||||||
PLF-Ο 110x*P | 110 | LH0110D*BN3HC | ||||||
PLF-Ο 160x*P | 160 | LH0160D*BN3HC | ||||||
PLF-Ο 240x*FP | 240 | LH0240D*BN3HC | 法兰式 | |||||
PLF-Ο 330 x*FP | 330 | LH0330D*BN3HC | ||||||
PLF-Ο 500 x*FP | 500 | LH0500D*BN3HC | ||||||
PLF-Ο 660x*FP | 660 | LH0660D*BN3HC |
注:*为过滤精度。使用介质为水一乙二醇,使用压力32MPa,公称流量60L/min,过滤精度10μm,带发讯器。则过滤器型号为PLFΟBH-H60 x 10P,滤芯型号为 LH0060D010BN3HC
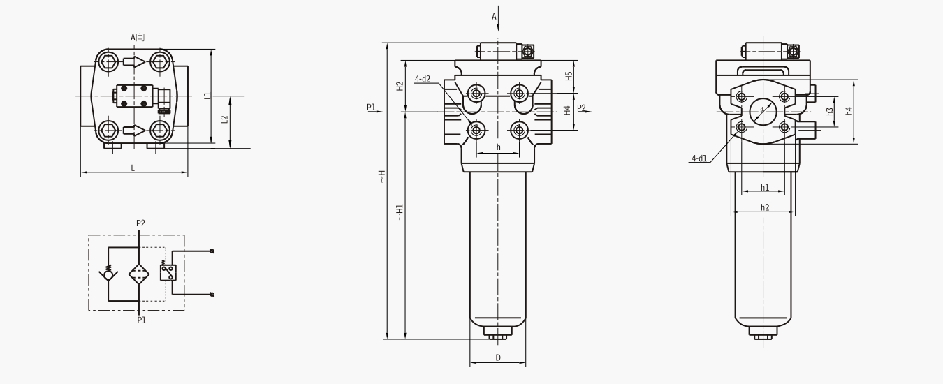
链接尺寸
一、管式
1、32MPa压力管路过滤器
型号 Model |
尺 寸 Size (mm) | |||||||||||
---|---|---|---|---|---|---|---|---|---|---|---|---|
~H | ~H1 | H2 | H3 | H4 | h | L | L1 | L2 | D | M | d2 | |
PLF-H30 x *P | 239 | 146 | 58 | 45 | 35 | 118 | 114 | 69 | 73 | 2 - M33 x 2 | 2-M10 | |
PLF-H60 X *P | 255 | 162 | 58 | 45 | 35 | 118 | 114 | 69 | 73 | 2 - M33 x 2 | 2-M10 | |
PLF-H110x*P | 329 | 236 | 58 | 45 | 35 | 118 | 114 | 69 | 73 | 2-M42x2 | 2-M10 | |
PLF-H160x*P | 319 | 215 | 69 | 49 | 45 | 50 | 150 | 140 | 82 | 102 | 2-M48X2 | 4-M10 |
2、16MPa 压力管路过滤器
型号 Model |
尺 寸 Size (mm) | |||||||||||
---|---|---|---|---|---|---|---|---|---|---|---|---|
~H | ~H1 | H2 | H3 | H4 | h | L | L1 | L2 | D | M | d2 | |
PLF-E30 x *P | 223 | 136 | 52 | 39 | 35 | 110 | 100 | 62 | 73 | 2 - M33 x 2 | 2-M10 | |
PLF-E60 X *P | 239 | 152 | 52 | 39 | 35 | 110 | 100 | 62 | 73 | 2 - M33 x 2 | 2-M10 | |
PLF-E110x*P | 308 | 221 | 52 | 39 | 35 | 110 | 100 | 62 | 73 | 2-M42x2 | 2-M10 | |
PLF-E160x*P | 294 | 196 | 63 | 43 | 45 | 45 | 140 | 130 | 77 | 95 | 2-M48x2 | 4-M10 |
3、6.3MPa压力管路过滤器
型号 Model |
尺 寸 Size (mm) | |||||||||||
---|---|---|---|---|---|---|---|---|---|---|---|---|
~H | ~H1 | H2 | H3 | H4 | h | L | L1 | L2 | D | M | d2 | |
PLF - C30 X *P | 223 | 136 | 52 | 39 | 35 | 110 | 88 | 56 | 73 | 2 - M33 x 2 | 2-M10 | |
PLF - C60 x *P | 239 | 152 | 52 | 39 | 35 | 110 | 88 | 56 | 73 | 2 - M33 x 2 | 2-M10 | |
PLF - C110 x *P | 308 | 221 | 52 | 39 | 35 | 110 | 88 | 56 | 73 | 2-M42x2 | 2-M10 | |
PLF - C160 X *P | 290 | 196 | 59 | 39 | 45 | 45 | 140 | 114 | 69 | 95 | 2-M48x2 | 2-M10 |
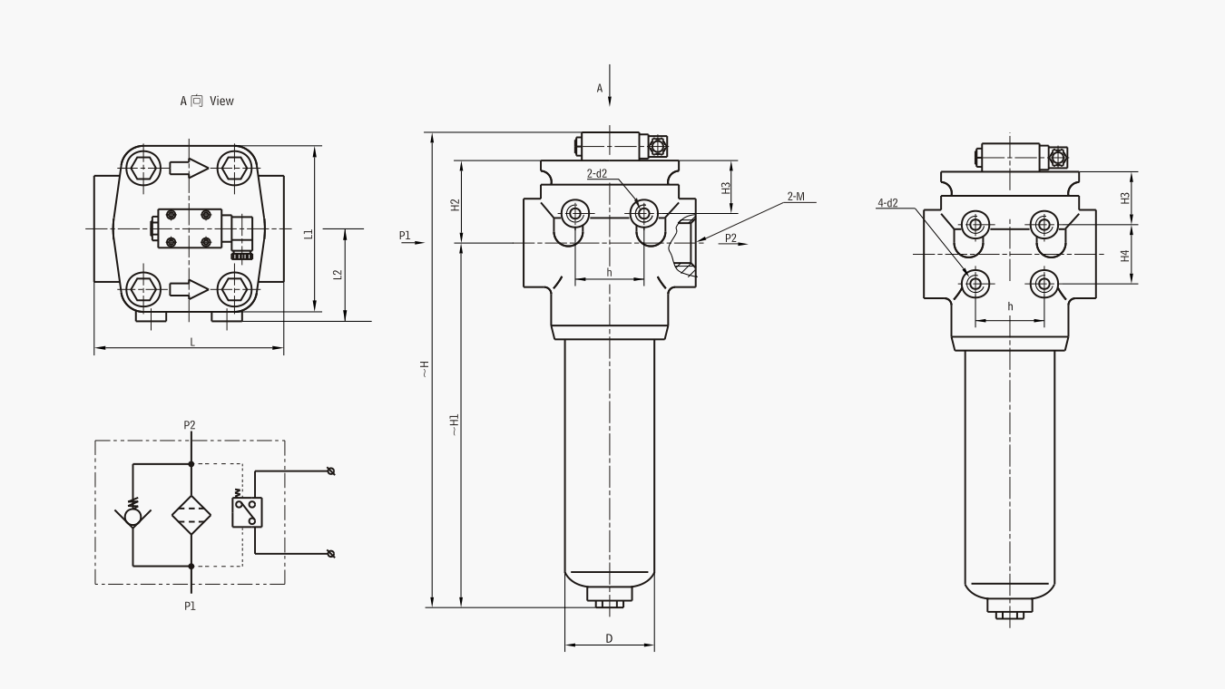
二、法兰式
1、32MPa压力管路过滤器
型号 Model |
尺 寸 Size (mm) | ||||||||||||||||
---|---|---|---|---|---|---|---|---|---|---|---|---|---|---|---|---|---|
~H | ~H1 | H2 | H4 | H5 | h | h1 | h2 | h3 | h4 | L | L1 | L2 | D | d | d1 | d2 | |
PLF-H242 x *FP | 377 | 273 | 69 | 45 | 49 | 50 | 79.4 ±0.25 | 110 | 36.5 ±0.25 | 90 | 150 | 140 | 82 | 102 | 2-Φ38 | 4-M16 | 4-M10 |
PLF-H333 x *FP | 400 | 277 | 88 | 60 | 63 | 80 | 96.8 ±0.25 | 130 | 44.5 土 0.25 | 110 | 190 | 180 | 108 | 146 | 2-Φ51 | 4-M20 | 4-M12 |
PLF-H500 x *FP | 493 | 370 | 88 | 60 | 63 | 80 | 96.8 ±0.25 | 130 | 44.5 土 0.25 | 110 | 190 | 180 | 108 | 146 | 2-Φ51 | 4-M20 | 4-M12 |
PLF-H666 x *FP | 567 | 444 | 88 | 60 | 63 | 80 | 96.8 ±0.25 | 130 | 44.5 土 0.25 | 110 | 190 | 180 | 108 | 146 | 2-Φ51 | 4-M20 | 4-M12 |
2、16MPa 压力管路过滤器
型号 Model |
尺 寸 Size (mm) | ||||||||||||||||
---|---|---|---|---|---|---|---|---|---|---|---|---|---|---|---|---|---|
~H | ~H1 | H2 | H4 | H5 | h | h1 | h2 | h3 | h4 | L | L1 | L2 | D | d | d1 | d2 | |
PLF-E240 x *FP | 352 | 254 | 63 | 45 | 43 | 45 | 69.9 ±0.25 | 94 | 35.7 ±0.25 | 82 | 140 | 130 | 77 | 95 | 2-Φ38 | 4-M12 | 4-M10 |
PLF-E330 x *FP | 368 | 257 | 76 | 55 | 56 | 75 | 77.8 ±0.25 | 102 | 42.9 土 0.25 | 96 | 180 | 164 | 100 | 140 | 2-Φ51 | 4-M12 | 4-M12 |
PLF-E500 x *FP | 461 | 350 | 76 | 55 | 56 | 75 | 77.8 ±0.25 | 102 | 42.9 土 0.25 | 96 | 180 | 164 | 100 | 140 | 2-Φ51 | 4-M12 | 4-M12 |
PLF-E660 x *FP | 535 | 424 | 76 | 55 | 56 | 75 | 77.8 ±0.25 | 102 | 42.9 土 0.25 | 96 | 180 | 164 | 100 | 140 | 2-Φ51 | 4-M12 | 4-M12 |
3、6.3MPa压力管路过滤器
型号 Model |
尺 寸 Size (mm) | ||||||||||||||||
---|---|---|---|---|---|---|---|---|---|---|---|---|---|---|---|---|---|
~H | ~H1 | H2 | H4 | H5 | h | h1 | h2 | h3 | h4 | L | L1 | L2 | D | d | d1 | d2 | |
PLF-C240x*FP | 348 | 254 | 59 | 45 | 39 | 45 | 69.9 ±0.25 | 94 | 35.7 ±0.25 | 82 | 140 | 114 | 69 | 95 | 2-Φ38 | 4-M12 | 4-M12 |
PLF-C330x*FP | 350 | 249 | 66 | 55 | 46 | 65 | 77.8 ±0.25 | 102 | 42.9 ±0.25 | 96 | 180 | 144 | 90 | 133 | 2-Φ51 | 4-M12 | 4-M12 |
PLF-C500x*FP | 443 | 342 | 66 | 55 | 46 | 65 | 77.8 ±0.25 | 102 | 42.9 ±0.25 | 96 | 180 | 144 | 90 | 133 | 2-Φ51 | 4-M12 | 4-M12 |
PLF-C660x*FP | 517 | 416 | 66 | 55 | 46 | 65 | 77.8 ±0.25 | 102 | 42.9 ±0.25 | 96 | 180 | 144 | 90 | 133 | 2-Φ51 | 4-M12 | 4-M12 |
现场直击
细节展示
视频
客户案例
用途:液压油过滤流量:1000t/h
用途:液压油过滤流量:200t/h
用途:油过滤流量:100t/h